E-mail Us

Solution de surveillance d'isolation système informatique médical

Les dispositifs de surveillance d'isolation du système informatique médical et les systèmes de localisation des défauts conviennent aux salles d'opération des hôpitaux, aux soins intensifs (CCU) et à d'autres endroits importants, et peuvent fournir un endroit sûr pour un tel continu, solutions fiables de puissance.

IT_1.png

IT_2.png


Structure du compteur d'énergie intelligent pour la surveillance de l'isolation médicale

Acrel Structure


Principales fonctions du compteur d'énergie intelligent pour la surveillance de l'isolation médicale

1. Schéma de connexion primaire et affichage de la distribution de champ

Primary connection diagram and field distribution display Primary connection diagram and field distribution display


2. acquisition et affichage de données en temps réel

Real-time data acquisition and display


3. Alarme de défaut

Acrel Fault Alarm


4. réglage des paramètres à distance et enquête

Acrel Remote Parameter Setting And Inquiry


5. Affichage graphique

L'armoire de surveillance d'isolation médicale suit l'isolation et l'état de charge, ainsi que la température des transformateurs d'isolation, offrant des affichages graphiques clairs pour chaque système d'alimentation isolé utilisé dansAlimentations médicales isolées. Sa conception conviviale assure un fonctionnement pratique et une surveillance efficace.

Sélection de produit de compteur d'énergie intelligent pour la surveillance de l'isolation médicale

1. transformateur d'isolement médical série AITR

  • Transformateurs isolants pour les systèmes informatiques médicaux

  • Double traitement d'isolation, couche de blindage électrostatique

  • Capteur de température PT100

  • Puissance nominale: 3.15…10KVA

  • Marque CE


Acrel Aitr Series Medical Isolation Transformer


2. AIM-M10 moniteur d'isolation intelligent médical

  • Surveillance d'isolation pour les systèmes informatiques médicaux

  • Surveillance de la charge et de la température du transformateur d'isolement

  • Surveillance de la déconnexion de l'appareil

  • Indicateurs LED: On, Isolation, Surcharge, Overtemp

  • Relais d'alarme de sortie

  • Bouton de test

  • RS485, MODBUS-RTU


Acrel 2aim M10 Medical Intelligent Insulation Monitor


3. AIM-M100 moniteur d'isolation intelligent médical

  • Surveillance d'isolation pour les systèmes informatiques médicaux

  • Surveillance de la charge et de la température du transformateur d'isolement

  • Surveillance de la déconnexion de l'appareil

  • Indicateurs LED: On, Isolation, Surcharge, Overtemp

  • Relais d'alarme de sortie

  • Bouton de test

  • RS485,MODBUS-RTU


Aim M100 Medical Intelligent Insulation Monitor


4. AIM-M200 moniteur d'isolation intelligent médical

<Ul class = "list-paddingleft-2">
  • Surveillance d'isolation pour les systèmes informatiques médicaux

  • Surveillance de la charge et de la température du transformateur d'isolement

  • Surveillance de la déconnexion de l'appareil

  • Indicateurs LED: On, Isolation, Surcharge, Overtemp

  • Relais d'alarme de sortie

  • Bouton de test

  • Emplacement des défauts d'isolation

  • RS485 (MODBUS-RTU) CAN (protocole personnalisé)


  • Acrel AIM-M200 Medical Intelligent Insulation Monitor


    5. AID10 alarme et instrument d'affichage

    • Surveillance à distance

    • Indicateurs LED: On, Isolation, Surcharge, Overtemp

    • Bouton muet

    • Bouton de test

    • Alimentation: DC24V

    • RS485, MODBUS-RTU


    Acrel Aid10 Alarm And Display Instrument


    6. AID120 alarme et instrument d'affichage

    • Surveillance à distance

    • Indicateurs LED: On, Isolation, Surcharge, Overtemp

    • Bouton muet

    • Bouton de test

    • Alimentation: DC24V

    • RS485, MODBUS-RTU


    Acrel AID120 Alarm and Display Instrument


    7. AID150 alarme et instrument d'affichage

    • Surveillance à distance

    • Indicateurs LED: On, Isolation, Surcharge, Overtemp

    • Bouton muet

    • Bouton de test

    • Alimentation: DC24V

    • RS485, MODBUS-RTU


    Acrel AID150 Alarm and Display Instrument


    8. ACLP10-24 DC Alimentation

    • Alimentation électrique à la série AID

    • Entrée AC 220V, sortie DC 24V

    • Transformateur linéaire complètement isolé

    • Indicateur de puissance


    Acrel ACLP10-24 DC Power Supply


    9. Générateur de signal ASG150

    • Génération du signal d'emplacement de défaut

    • Détection de la déconnexion L1 et L2

    • Indicateurs LED: On, Comm, L1, L2, Fault

    • Bus CAN, protocole personnalisé

    • Alimentation: DC24V


    Acrel ASG150 Signal Generator


    10. localisateur de défaut d'isolation AIL150-4/-8

    • Emplacement des défauts d'isolation dans les systèmes AC IT

    • AIL150-4: 4 canaux de mesure

    • AIL150-8: 4 canaux de mesure

    • Indicateurs LED: On, Comm, L1…L8

    • Bus CAN, protocole personnalisé

    • Alimentation: DC24V


    Acrel AIL150-4/-8 Insulation Fault Locator

    11. Cabinet de distribution de puissance d'isolation médicale GGF


    9.jpg

    11.jpg




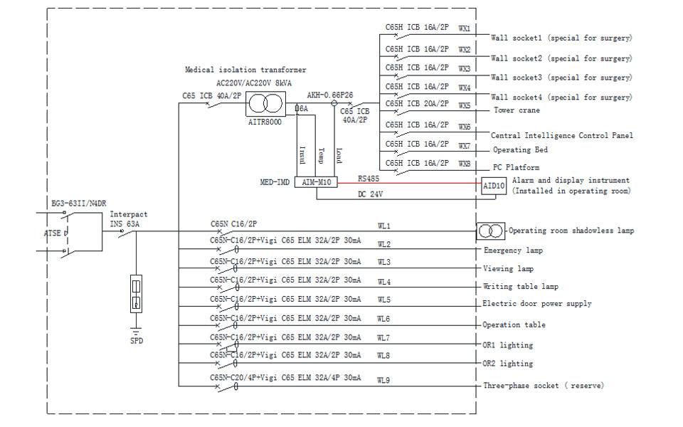
    Solution typique

    1. ensemble de quatre pièces

    Acrel Four Piece Set


    2. ensemble de cinq pièces

    Acrel Five Piece Set


    3. ensemble de sept pièces

    Acrel Seven Piece Set


    Photos sur le site

     Acrel Co Ltd