E-mail Us
health management information systems
health management information systems
wifi remote alarm
medical isolated power panels
medical isolated power supply
isolated power panels for healthcare facilities

Dispositif d'isolation médicale AIM-M10

  • Surveillance d'isolation pour les systèmes informatiques médicaux

  • Surveillance de la charge et de la température du transformateur d'isolement

  • Surveillance de la déconnexion de l'appareil

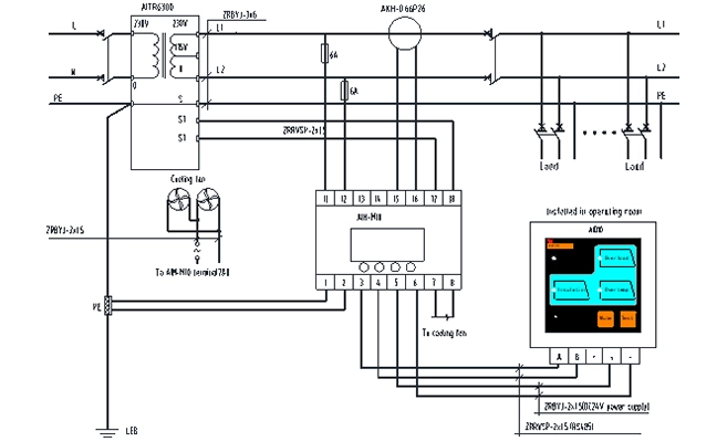
Dessins du dispositif d'isolation médicale AIM-M10

Spécifications du dispositif d'isolation médicale AIM-M10

Puissance AUXTensionAC220V ± 10%Surveillance de la températureRésistance thermique2 Pt100
Consommation de puissance≤ 5VAGamme de mesure-50 ~ + 200 ℃
Surveillance d'isolationGamme de mesure de résistance10 ~ 999kΩGamme de valeur d'alarme0 ~ + 200 ℃
Valeur de réponse50 ~ 999kΩAlarmeMode de sortie1 Relais
Incertitude relative± 10%SortieClassement des contactsAC 250V/3A

DC 30V/3A
Temps de réponse≤ 3sEnvironnementTempérature de fonctionnement-10 ~ + 55 ℃
Capacité de fuite du système admissible Ce≤ 5uFTempérature de transport-25 ~ + 70 ℃
Tension de mesure Um≤ 12VTempérature de stockage-25 ~ + 70 ℃
Mesure du courant Im≤ 50uAHumidité relative5%-95%, pas de condensation
Impédance Zi≥ 200kΩAltitude≤ 2500m
Résistance interne DC Ri≥ 240kΩDegré IPIP30
Tension continue étrangère autorisée Ufg≤ DC280VDegré de tension d'impulsion/pollution évalué4KV/Ⅲ
Surveillance du courant de chargeMesure de la valeur2.1 ~ 50AEMCIEC 61326-2-4
Valeur d'alarme5 ~ 50ACommunicationRS485(Modbus-RTU)
Précision de mesure± 5%


Merci pour votre attention sur Acrel
Sachez que vous avez besoin d'un compteur d'énergie intelligent.
Acrel prendra contact avec vous dès que possible.
*
*
*