
Surveillance précise de la résistance d'isolation ● Gamme de mesure d'isolement: 10 ~ 999Ω ● Tolérance relative: 0 ~ ± 10% ● Méthode d'affichage: affichage de la valeur et du pourcentage |
|
Surveillance de la charge et de la température pour le transformateur d'isolation ● Thermistance: PT100 ● Plage de mesure de la température: -50 ℃ ~ + 200 ℃ ● Gamme de mesure de courant résiduel: 2.1 ~ 50A ● Précision: 5% |
|
Alarme rapide avec sortie relais et indicateur LED une fois que le défaut d'isolation et la déconnexion des dispositifs du système informatique se sont produits ● Temps de réponse:<2s ● Indicateur LED: défaut d'isolation et alarme de surcharge et de surtempérature; État de l'appareil connecté (on-off) ● Sortie relais d'alarme: 2 relais de sortie (non programmable) |
|
HMI intelligent pour des paramètres pratiques, réglage d'alarme et autotest ● Réglage de la valeur seuil d'alarme ● Réglage du temps de réponse ● Auto-test |
|
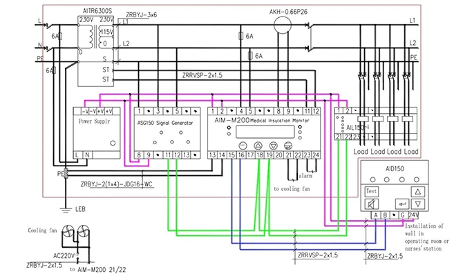
Paramètres/modèle | AIM-M10 | AIM-M100 | AIM-M200 | |
| Puissance auxiliaire | Tension | AC220V(± 10%) | DC24V(± 25%) | |
| Fréquence | 50/60Hz | - | ||
| Consommation de puissance | <5VA | <8VA | <3VA | |
| Surveillance d'isolation | Gamme de mesure de résistance d'isolation | 10 ~ 999kΩ | ||
| Précision | 0 ~ ± 10% | |||
| Gamme de valeur d'alarme | 50 ~ 999kΩ | |||
| Temps de réponse | <2s | |||
| Tension de mesure | <12V | |||
| Mesure du courant | <50uA | |||
| Surveillance actuelle | Valeur de mesure | 2.1 ~ 50A | ||
| Gamme de valeur d'alarme | 5 ~ 50A | |||
| Précision | 5% | |||
| Méthode d'affichage | Affichage de la valeur | Affichage en pourcentage | Affichage de la valeur et du pourcentage | |
| Surveillance de la température | Capteur | PT100 | ||
| Gamme de mesure | -50 ~ + 200 ℃ | |||
| Gamme de valeur d'alarme | 0 ~ + 200 ℃ | |||
| Puissance de sortie | 24VDC | 2W | Aucun | |
| Sortie d'alarme | Sortie | 1 relais | 2 relais (programmable) | 2 relais (non programmable) |
| Capacité de contact | AC 250V/3A DC 30V/3A | |||
| Communications | 1 RS485 , Modbus-RTU | 2 RS485 , Modbus-RTU | 1 RS485, Modbus-RTU | |
| 1 CAN, protocole personnalisé | ||||
| Environnement | Température de fonctionnement | -10 ~ + 50 ℃ | ||
| Température de stockage | -20 ~ + 70 ℃ | |||
| Humidité relative | 5%-95%, pas de condensation | |||
| Altitude | ≤ 2500m | |||
| Degré de tension/pollution d'impulsion évaluée | 4KV/3 | |||
| EMC et EMR | IEC61326-2-4 | |||
Appelez-nous sur:
Nous envoyer un courriel:
No. 253, Yulv Road, Jiading Zone, Shanghai, China