E-mail Us
remote power failure alarm
remote power failure alarm
remote control personal alarm
wifi remote alarm
remote personal alarm

AID120 Alarme Et Indicateur D'affichage

  • Surveillance à distance

  • Bouton muet

  • Bouton de test

  • Alimentation auxiliaire: DC24V

  • RS485(MODBUS-RTU)

Spécifications de l'alarme AID120 et indicateur d'affichage

Aux PuissanceTensionDC 24V
Consommation de puissance≤ 0.6W
Gamme de mesure d'isolation10 ~ 999kΩ
Gamme d'alarme d'isolation50 ~ 999kΩ
Taux de charge du transformateurAffichage en pourcentage
Gamme actuelle d'alarme14A 、 18A, 22A, 28A, 35A, 45A
Gamme d'alarme de température0 ~ 200 ℃
Mode d'alarmeAlarme audible et visuelle
Type d'alarmeDéfaut d'isolation, surcharge, température supérieure, défaillance de l'appareil
Mode de communicationRS485(MODBUS-RTU)
Mode d'affichageAffichage LED


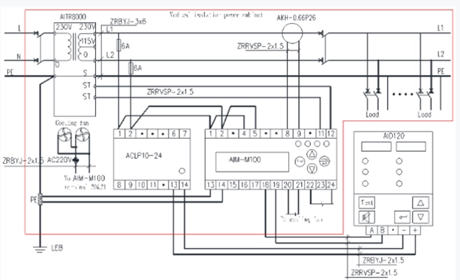
Dessins de l'alarme AID120 et indicateur d'affichage

Merci pour votre attention sur Acrel
Sachez que vous avez besoin d'un compteur d'énergie intelligent.
Acrel prendra contact avec vous dès que possible.
*
*
*