E-mail Us
remote control personal alarm
remote control personal alarm
remote personal alarm
remote power failure alarm
are isolation panels required in operating rooms

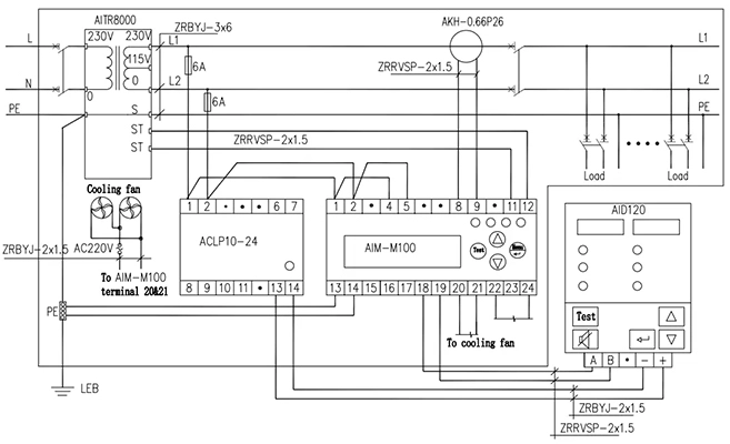
ACLP10-24 d'alimentation auxiliaire

  • Alimentation auxiliaire pour la série AID

  • Indicateur d'on-off de puissance LED

  • Transformateur linéaire complètement isolé

  • IEC 61558-1: 2009

Caractéristiques de l'alimentation auxiliaire ACLP10-24

Alimentation auxiliaire pour la série AID

● Alimentation: entrée -- AC220V et sortie -- DC 24V

● Consommation de puissance:<3VA

● Fourniture de dispositifs d'alarme et d'affichage jusqu'à 3 séries AID


Auxiliary Power Supply for AID Series

Indicateur d'on-off de puissance LED

● Affichage du statut de fonctionnement de l'alimentation


LED Power On-off Indicator


Spécifications de l'alimentation auxiliaire ACLP10-24

Tension d'entrée
AC 220V(± 10%)
Fréquence50/60Hz
Puissance3W
Tension de sortieDC 24V ± 5%
Régulation de tension≤ 30%
Élévation de la température≤ 20 ℃
Tension de tenue4000V AC/Min


Dessins de ACLP10-24 alimentation auxiliaire

Merci pour votre attention sur Acrel
Sachez que vous avez besoin d'un compteur d'énergie intelligent.
Acrel prendra contact avec vous dès que possible.
*
*
*