E-mail Us
signal generator for sale
signal generator for sale
signal generator types
signal generator diagram
signal generator manufacturers

Dispositif générateur de signal ASG150

  • Générer un signal de test de localisation de défaut
  • Détection du statut de déconnexion L1 & L2
  • Indicateur LED
  • Communication de bus CAN
  • IEC 61557-9-2007

Caractéristiques du dispositif de générateur de signal ASG150

Générer un signal de test de localisation de défaut

● Courant d'emplacement: <1mA

● Tension d'emplacement: <25V

Generate Fault Location Test Signal

Indicateur LED

● On-off (statut de connexion des appareils)

● Statut de la communication

● Statut de déconnexion L1 & L2

● Défaut d'isolation

LED Indicator

Communication de bus CAN

● Protocole personnalisé

● Soutien Multiple Master

CAN bus Communication


Spécifications du dispositif de générateur de signal ASG150

Puissance auxiliaire
TensionDC24V(± 25%)
La consommation de puissance maximale≤ 2VA
Système être surveilléTension évaluée0 ~ 242V AC
Fréquence évaluée45 ~ 60Hz
Signaux de localisationTension d'emplacement<25V
Courant d'emplacement<1mA
CommunicationBusPEUT
ProtocoleProtocole personnalisé


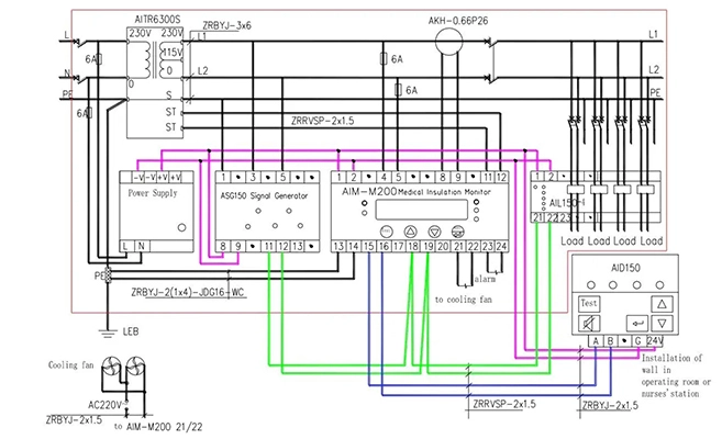
Dessins du dispositif de générateur de signal ASG150

Merci pour votre attention sur Acrel
Sachez que vous avez besoin d'un compteur d'énergie intelligent.
Acrel prendra contact avec vous dès que possible.
*
*
*