E-mail Us
health management information systems
health management information systems
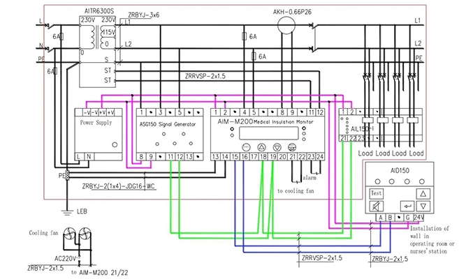
hospital isolation panel
isolated power panels for healthcare facilities
isolation panels in hospitals

AID150 Alarme Et Dispositif D'affichage

  • Surveillance à distance

  • Indicateur LED

  • Interface HMI pour réglage des paramètres à distance et alarme muet

  • IEC60364-7-710:2016; IEC 61557-8-2007; EMC

Caractéristiques du dispositif d'alarme et d'affichage AID150

Surveillance à distance

(Données dupliquées du moniteur d'isolation série AIM)

● Défaut d'isolation

● Alarme

● Message d'exploitation

● À travers RS485 (MODBUS-RTU)

Remote Monitoring

Indicateur LED

● État on-off des appareils

● Défaut d'isolation

● Surcharge

● Surtempérature

LED Indicator

Interface HMI pour réglage des paramètres à distance et alarme muet

● Définir le temps de réponse de la surveillance d'isolation

● Alarme audible muette

HMI Interface for remote Parameter Setting&Alarm Mute


Dessins du dispositif d'alarme et d'affichage AID150

Spécifications du dispositif d'alarme et d'affichage AID150

Paramètres/modèle
AID10AID120AID150
Puissance auxiliaireTensionDC 24V
Consommation de puissance<0.6W
Gamme de mesure de résistance d'isolation-0-999kΩ-
Gamme de valeur d'alarme d'isolation
50-999kΩ
Affichage du taux de charge du transformateur-Affichage en pourcentage-
Réglages d'alarme de courant de charge14A 、 18A, 22A, 28A, 35A, 45A
Gamme de valeur d'alarme de température0 ~ 200 ℃
AlarmeAlarme audible et visible
Type d'alarmeDéfaut d'isolation, surcharge, température excessive, défaillance de l'équipement
CommunicationInterface RS485, protocole MODBUS-RTU
Méthode d'affichage-Affichage LED128*32 LCD


Merci pour votre attention sur Acrel
Sachez que vous avez besoin d'un compteur d'énergie intelligent.
Acrel prendra contact avec vous dès que possible.
*
*
*