E-mail Us
remote power failure alarm
remote power failure alarm
operating room electrical panels
are isolation panels required in operating rooms

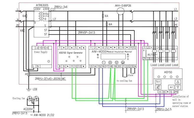
Transformateur d'isolation médicale série AITR

  • Transformateur d'isolation pour l'hôpital système d'alimentation informatique

  • Double Traitement D'isolation

  • Couche de blindage électrostatique

  • Capteur de température PT100 intégré dans l'enroulement

  • CE; IEC 61558: 2009; IEC 61558-2-15:2011; IEC60364-7-710:2016

Dessins du transformateur d'isolation médicale série AITR

Spécifications du transformateur d'isolation médicale série AITR

Capacité évaluée
3.15kVA/5kVA/6.3kVA/8kVA/10kVA
Fréquence50/60Hz
Tension d'entrée évaluée230V
La tension de sortie230V/115V
Courant de précipitation<12In
Courant de fuite<200uA
Tension de sortie sans charge<235V
Courant de sortie sans charge<3% dans
Tension de court-circuit<3% Un
Efficacité> 96%
Température ambiante maximale<40 ℃
Élévation de température sans charge<33 ℃
Élever de température à pleine charge<76 ℃
Tension de tenue4200 V/Min
Classe d'isolationH
Niveau de bruit<40dB (A)


Caractéristiques du transformateur d'isolation médical de série AITR

Transformateur d'isolation pour l'hôpital système d'alimentation informatique

● Courant d'enfoncement (IE): <12Ln

● Courts-circuits Tension: <3% Un

● Niveau de bruit: <40dB (A)

● Efficacité: >96%

Insulation Transformer for Hospital IT Power System

Traitement d'isolation multiple

● Courant de fuite: <200μA

● Classe d'isolation: H


Multiple Insulation Treatment

Capteur de température PT100 intégré dans l'enroulement

● Thermistance: PT100

● Plage de mesure de la température: -50 ℃ ~ + 200 ℃

PT100 Temperature Sensor Embedded in the Winding


Merci pour votre attention sur Acrel
Sachez que vous avez besoin d'un compteur d'énergie intelligent.
Acrel prendra contact avec vous dès que possible.
*
*
*