E-mail Us
operating room electrical panels
operating room electrical panels
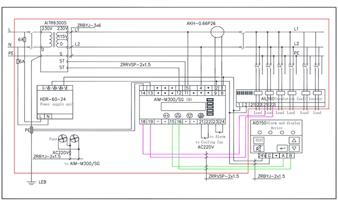
isolation panel for operating rooms
hospital isolation panel wiring diagram

Moniteur intelligent médical AIM-M300 d'isolation

  • Surveillance d'isolation pour les systèmes informatiques médicaux

  • Surveillance de la charge et de la température du transformateur d'isolement

  • Surveillance de la déconnexion de l'appareil

  • Indicateurs LED: On, Isolation, Surcharge, Overtemp

  • Relais d'alarme de sortie

  • Bouton de test

  • Emplacement des défauts d'isolation

  • Din 35mm

  • RS485 (MODBUS-RTU) CAN

Dessins du moniteur d'isolation intelligent médical AIM-M300

Spécifications du moniteur d'isolation intelligent médical AIM-M300

Puissance auxiliaireTensionDC 18…36V
Consommation de puissance≤ 6W
Surveillance d'isolationRésistance15…999kΩ
Mesure
Gamme
Valeur de réponse50…999kΩ
Relatif± 10%,± 10K
Incertitude
Temps de réponse≤ 3s
Permis≤ 5uF
Fuite du système
Ce capacité
Mesure≤ 12V
Tension Um

Mesure≤ 5uA
Courant Im
Impédance Zi≥ 200kΩ
DC interne≥ 240kΩ
Résistance Ri

Permis≤ DC280V
DC étranger
Tension Ufg
Surveillance de la températureThermique2 Pt100
Résistance
Mesure-50…+ 200 ℃
Gamme
Gamme de valeur d'alarme0…+ 200 ℃
Surveillance actuelleValeur d'alarme5…60A
Mesure
Précision
± 5%


Merci pour votre attention sur Acrel
Sachez que vous avez besoin d'un compteur d'énergie intelligent.
Acrel prendra contact avec vous dès que possible.
*
*
*