E-mail Us
multifunctional battery meter
multifunctional battery meter
multifunction meter
multifunction meter price

Analyseur de volmètre monophasé AMC48L-AV

  • Mesure de tension

  • Affichage à cristaux liquides LED

  • Voltmètre monophasé

Caractéristiques de l'analyseur de volmètre monophasé AMC48L-AV

Communication

RS485(Modbus-RTU)

Affichage

Affichage LCD, ensemble de puissance de multiplication

Coté U & I

PhaseAC unique 100V,400V

Précision

Énergie active: classe 0.5

Installation

Panneau monté

ac voltage meter

Dimension(L * W * H)

Panneau taille (L × W): 48*48mm

Découpe (L × W): 45*45mm

Profondeur (H): 93mm

Consommation

Courant: Consommation de puissance <0.5VA;

Alimentation auxiliaire: consommation d'énergie ≤ 5VA

Alimentation auxiliaire

AC 220V

ac voltmeter


Spécifications de l'analyseur de volmètre monophasé AMC48L-AV

Paramètre techniqueValeur
EntréeValeur évaluéeTension AC: PhaseAC unique 100V,400V
Trois phases AC 100V,400V,660V(UL-L, seulement 72/96)
SurchargeTension: 1.2 fois la valeur nominale (continue); 2 fois la valeur nominale/1 seconde
Courant: 1.2 fois la valeur nominale (continue); 10 fois la valeur nominale/1 seconde
Fréquence45Hz ~ 65Hz
Consommation de puissanceLa consommation de puissance de chaque tension, le circuit d'entrée de courant est inférieur à 0.5VA
Précision0.5 de classe
FonctionAffichageLED ou LCD
CommunicationRS485, protocole Modbus-RTU;(1 bit de démarrage, 8 bits de données, 1 bit d'arrêt, pas de parité)
Taux de bauds 2400/4800/9600/19200 bps etc.
AlarmeRelais passif à 1 canal, capacité de contact 3A/30VDC,3A/250VAC, utilisé pour une alarme élevée, faible, déséquilibrée, etc.
AnalogiqueDC4 ~ 20mA,(charge <500Ω)
(Remarque: le fil blindé est spécialement sélectionné pour l'entrée et la sortie du signal ci-dessus)
CommutationEntrée: 4 canaux ou 2 canaux entrée de contact sec, alimentation intégrée
Sortie: sortie de commutation à 2 canaux, sans contact de relais, capacité: 3A/30VDC,3A/250VAC
Approvisionnement auxiliaireAC/DC 85-265V
Consommation de puissance<5VA
Résistance d'isolation≥ 100MΩ
Fréquence de puissance résister à la tensionEntre ensemble d'alimentation de bornes et entrée de signal, ensemble de bornes de sortie 2kV/1min (RMS)
Entre la coque et tous les ensemble de bornes (sauf l'ensemble de bornes de tension de référence inférieure à 40V) AC 4kV
EnvironnementTempératureOpération: -10 ℃ ~ + 55 ℃ Stockage: -25 °C ~ + 70 °C
Humidité≤ 95% HR, aucune condensation, sans gaz corrosif
Altitude≤ 2500m


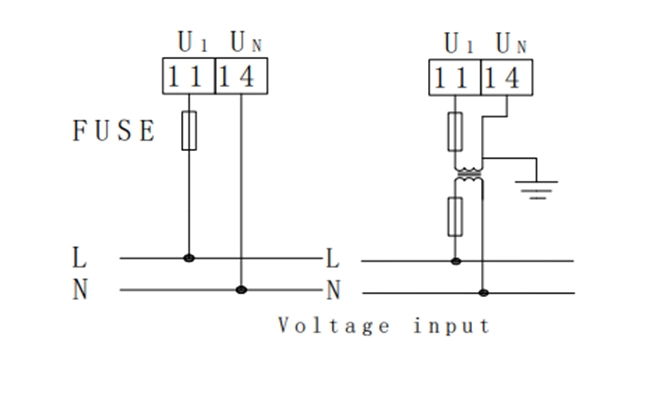
Dessins de l'analyseur de volmètre monophasé AMC48L-AV

Merci pour votre attention sur Acrel
Sachez que vous avez besoin d'un compteur d'énergie intelligent.
Acrel prendra contact avec vous dès que possible.
*
*
*