E-mail Us
power usage effectiveness calculation
power usage effectiveness calculation

Dispositif de surveillance de distribution de puissance de précision AMC100-ZD DC

  • Surveille la tension, le courant, la puissance et l'énergie électrique de 2 lignes entrantes indépendantes A B

  • 8 entrée numérique, 4 sortie numérique

  • 1 canal de surveillance de la température et de l'humidité

  • 3 canaux RS485 Modbus-RTU

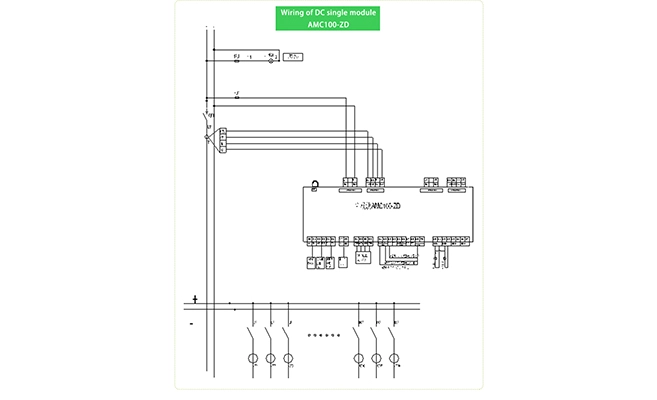
Dessins AMC100-ZD dispositif de surveillance de distribution de puissance de précision CC

Merci pour votre attention sur Acrel
Sachez que vous avez besoin d'un compteur d'énergie intelligent.
Acrel prendra contact avec vous dès que possible.
*
*
*