E-mail Us
vol meter ac
vol meter ac
dc volmeter
vol meter dc
solar dc energy meter

PZ72L-DV analyseur de volmètre DC

  • Doseur de tension DC

  • Mesurer la tension dans le système DC

  • DI/DO, sortie d'alarme de relais

Caractéristiques de l'analyseur de volmètre DC PZ72L-DV

Précision

Courant: Classe 0.5


Alimentation électrique

AC 220V


Courant: Consommation de puissance

<0.5VA


Alimentation électrique

Consommation de puissance ≤ 5VA


Installation

Installation intégrée


Courant de démarrage

0.3%

dc electric meter

Plaque frontale (L× W)

75*75mm


Découpe (L× W)

67*67mm


Logement (L× W× H)

66*66*98mm


Relais de l'interrupteur

DC 30V/3A AC 220V/3A

dc energy meter


Spécifications de l'analyseur de volmètre DC PZ72L-DV

Paramètre techniqueValeur
EntréeValeur évaluéeTension AC: PhaseAC unique 100V, 400V
Trois phases AC 100V, 400V, 660V(UL-L, seulement 72/96)
Courant AC: AC1A,5A;
DC tension: 1000V, 300V, 75mV, 10V;
Courant DC: 0-20mA, 4-20mA, 5A;
SurchargeTension: 1.2 fois la valeur nominale (continue); 2 fois la valeur nominale/1 seconde
Courant: 1.2 fois la valeur nominale (continue); 10 fois la valeur nominale/1 seconde
Fréquence45Hz ~ 65Hz
Consommation de puissanceLa consommation de puissance de chaque tension, le circuit d'entrée de courant est inférieur à 0.5VA
Précision0.5 de classe
FonctionAffichageLED ou LCD
CommunicationRS485, protocole Modbus-RTU;(1 bit de démarrage, 8 bits de données, 1 bit d'arrêt, pas de parité)
Taux de bauds 2400/4800/9600/19200 bps etc.
AlarmeRelais passif à 1 canal, capacité de contact 3A/30VDC,3A/250VAC, utilisé pour une alarme élevée, faible, déséquilibrée, etc.
AnalogiqueDC4 ~ 20mA,(charge <500Ω)
(Remarque: le fil blindé est spécialement sélectionné pour l'entrée et la sortie du signal ci-dessus)
CommutationEntrée: 4 canaux ou 2 canaux entrée de contact sec, alimentation intégrée
Sortie: sortie de commutation à 2 canaux, sans contact de relais, capacité: 3A/30VDC,3A/250VAC
Approvisionnement auxiliaireAC/DC 85-265V
Consommation de puissance<5VA
Résistance d'isolation≥ 100MΩ
Fréquence de puissance résister à la tensionEntre ensemble d'alimentation de bornes et entrée de signal, ensemble de bornes de sortie 2kV/1min (RMS)
Entre la coque et tous les ensemble de bornes (sauf l'ensemble de bornes de tension de référence inférieure à 40V) AC 4kV
EnvironnementTempératureOpération: -10 ℃ ~ + 55 ℃ Stockage: -25 °C ~ + 70 °C
Humidité≤ 95% HR, aucune condensation, sans gaz corrosif
Altitude≤ 2500m


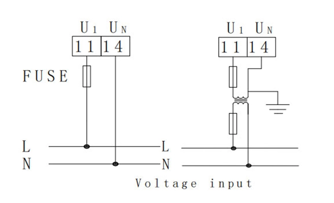
Dessins de l'analyseur de volmètre DC PZ72L-DV

Merci pour votre attention sur Acrel
Sachez que vous avez besoin d'un compteur d'énergie intelligent.
Acrel prendra contact avec vous dès que possible.
*
*
*